Nubion Plus™ – Landing or Taxi Light with WigWag Function

-
Landing or Taxi
-
WigWag Function
-
Simple installation with holder
-
High performance
-
Various lenses:
• Nubion Plus Landing (8°) AVE-N09PANSNL-1WP
• Nubion Plus Landing (15°) AVE-N09PANSNL-2WP
• Nubion Plus Taxi (25°) AVE-N09PANSNT-3WP
• Nubion Plus Taxi (45°) AVE-N09PANSNT-5WP
• Nubion Plus Taxi (35° x 55°) AVE-N09PANSNT-EWP
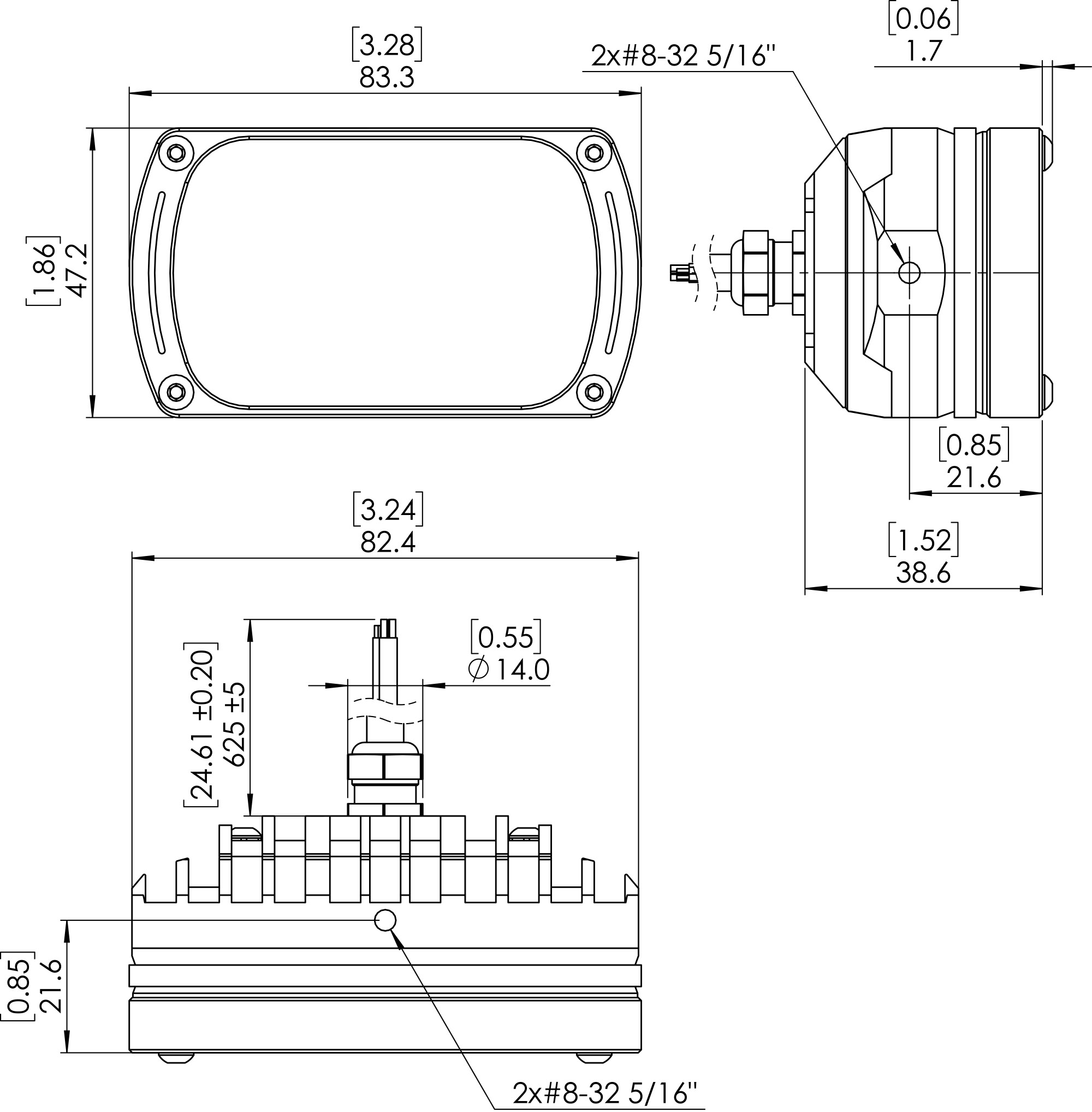
Specification
| Dimensions: | See drawing |
|---|---|
| Weight: | 212 g / 7.48 oz |
| Operating Voltage Range: | 9 – 36 V DC |
| Input Current: | 2.23 A @14V 1.07 A @28V |
| Input Power: | 31.2 W @14V 29.8 W @28V |
| Ambient Temperature: | from -55°C to +85°C from -67°F to +185°F |
| Transient Voltage: | 80 V/1s |
| Over-Voltage Lockout: | 38.5V |
| Under-Voltage Lockout: | 7V |
| Reverse Polarity Protection: | Yes |
| Overheat Protection: | Yes (temperature dependent decrement of intensity, see note below) |
| Waterproof, Dust-proof, Vibration-proof: | Yes |
