Quark DayLite™
Safety Inspection Light – Commonly used as Wheel Well and Landing Gear Strut Light
Available colors: White, Red or Blue



Specification
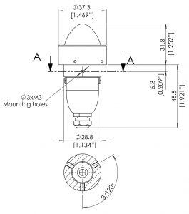
| Dimensions: | See technical drawing |
|---|---|
| Weight (g): | 80 g |
| Weight (oz): | 2.82 oz |
| Operating Voltage Range: | 9 – 36 VDC, 28 VDC typical |
| Input Current (@28V): | 0.06 A (+/-5%) |
| Input Power (@28V): | 1.68 W |
| Ambient Temperature: | from -55°C to +85°C from -67°F to +185°F |










