Quark DayLite™

Safety Inspection Light – Commonly used as Wheel Well and Landing Gear Strut Light

Available colors: White, Red or Blue

Quark DayLite Aircraft Safety Inspection Light – Commonly used as Wheel Well and Landing Gear Strut Light
Quark DayLite Aircraft Safety Inspection Light – Commonly used as Wheel Well and Landing Gear Strut Light

Specification

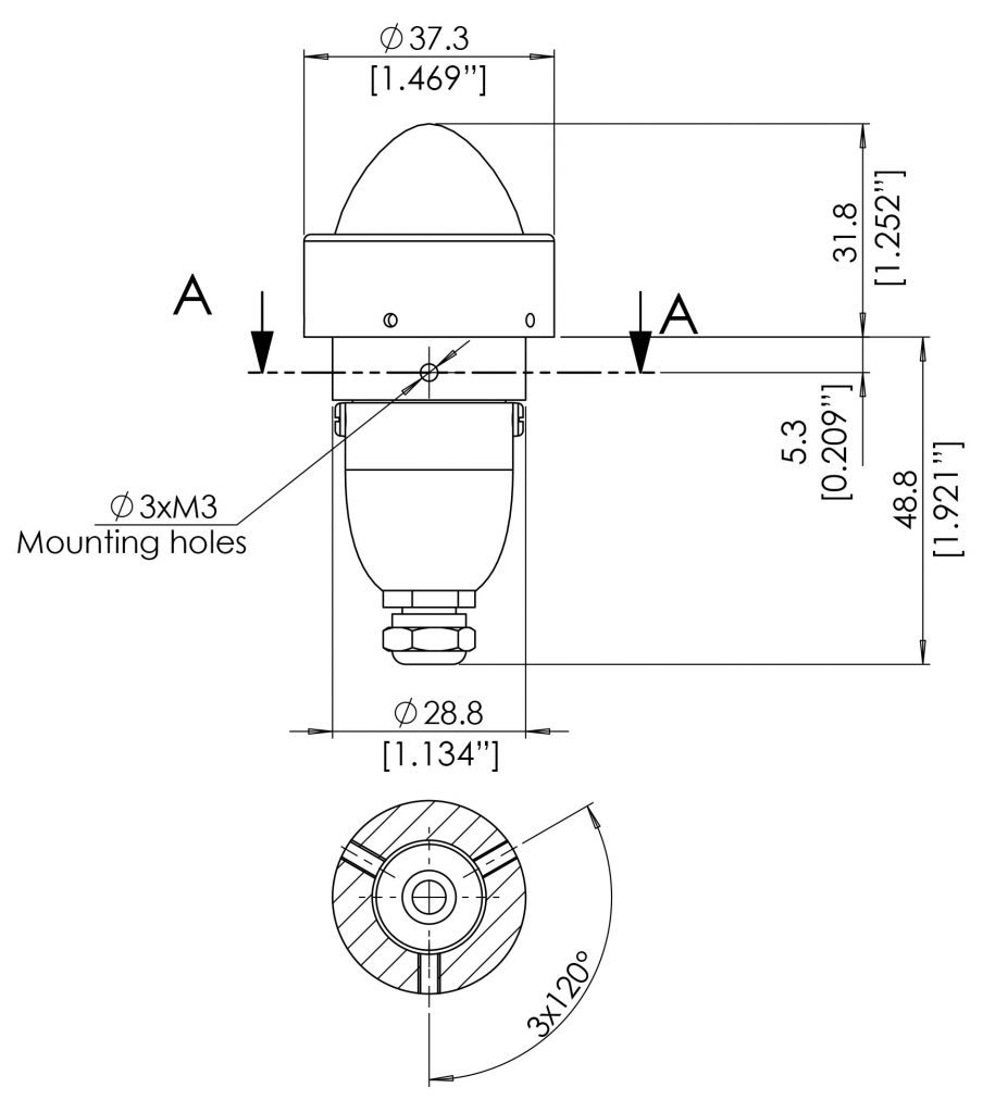
Dimensions: See technical drawing
Weight (g): 80 g
Weight (oz): 2.82 oz
Operating Voltage Range: 9 – 36 VDC, 28 VDC typical
Input Current (@28V): 0.06 A (+/-5%)
Input Power (@28V): 1.68 W
Ambient Temperature: from -55°C to +85°C
from -67°F to +185°F

Drawing

Installation Manual

Gallery

The user of this website is forewarned that the information presented herein is general and informational only. Aveo is not responsible for misinterpretations, typos, syntax errors, or translation mistakes as the legal and governing language of Aveo Czech is the Czech language.  Should there be any questions they should be directed to Aveo (Contact page) for clarification or explanation. No liability is assumed or accepted for any activities based upon the user's use of anything presented herein.

©2026 Aveo Engineering Group, s.r.o. • All Rights Reserved. •Terms of Use • Privacy Policy

Aveo holds more than 50 patents with more than 70 others now in pending status. Aveo is tired of our competitors making direct copies of our product designs. Aveo has now on retainer a Patent Enforcement law firm that will prosecute to the maximum any violators. We have always competed fairly, and all our work is our own. Unfortunately some competitors have decided to copy our stuff in China to their best ability, which is sadly for them inferior results. But it is an insult to the engineering profession for anyone to copy other peoples’ work. I guess they grew up cheating in their lives, but we will no longer tolerate it. Be forewarned!!!

Any links to or use of material on our website without prior written permission will be aggressively prosecuted to the letter of the law worldwide

Log in with your credentials

Forgot your details?