Maximus PowerMax™ VDC – PAR 64 Landing Light

Specification
| Light characteristics: | Landing Light / PAR64 replacement |
|---|---|
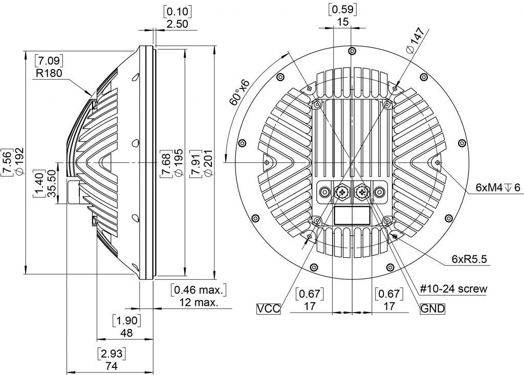
| Dimensions: | 7.91“ x 2.93“ (201 mm x 74mm) |
| Weight: | 1.291 kg / 2.846 lb |
| Input voltage: | from +18 to +36 VDC |
| Input current: | 5.9A @ 28VDC (rms) max |
| Input power: | 165W (typ) |
| Ambient temperature: | -55°C..+85°C / -67°F..+185°F |
| Overheat protection: | +85°C / +185°F (temperature dependent decrement of intensity) |
| Voltage protection: | Transient voltage: 2 seconds +40VDC Over-voltage lockout: +30VDC, not less |
| Color: | Cool White |
| Viewing Angle: | 6° |
| Useful life: | not less than 30.000 aircraft flight hours |
