MicroMax™ – Anti-collision Light for Drones and UAV

Anti-collision LED light – Red, White, Green or Amber
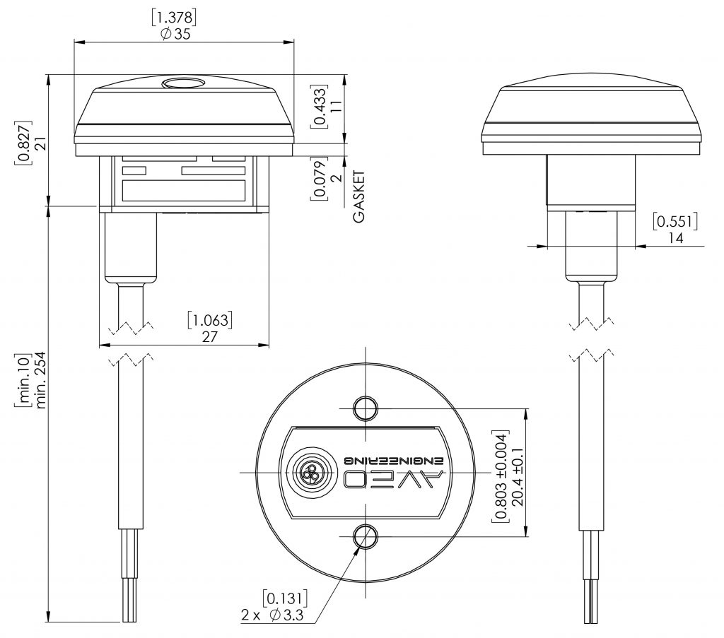
Fully D0-160 tested and weighing less than 30 grams, MicroMax™ will help you comply with all the tightening and future regulations around operating small UAVs/MiniDrones and ensure SAFETY is included in your flight operations. Available in Red, White, Green or Amber, the patented MicroMax™ provides a 360 degree arc of coverage. An amazing product from Aveo’s famous engineering prowess, which has made it the world market leader in UAV lighting by a wide margin.
NOT APPROVED FOR INSTALLATION ON CERTIFIED AIRCRAFT
THIS IS NOT A TSO CERTIFIED LIGHT
Specification
| Dimensions – above surface (mm): | 35 mm x 11 mm |
|---|---|
| Dimensions – above surface (inches): | 1.378“ x 0.433“ |
| Weight: | Less 30 g / 1.05 oz |
| Operating voltage range: | 9-32 V DC |
| Input power: - Red - White - Green - Amber |
5.4W (peak) 7.8W (peak) 7.8W (peak) 7.8W (peak) |
| Input current: - Red - White - Green - Amber |
0.39A @14V (peak) 0.19A @28V (peak) 0.56A @14V (peak) 0.28A @28V (peak) 0.56A @14V (peak) 0.28A @28V (peak) 0.56A @14V (peak) 0.28A @28V (peak) |
| Repetition rate of strobe: | 50 cycles per minute |
| Ambient temperature: | from -40°C to +85°C from -40°F to +185°F |
| Overheat protection: | Yes |
| Recommended size of mounting screw: | M3 |
| Reverse polarity protection: | Yes |
| Over-Voltage spike protection: | 60V / 1s |
| Under-Voltage protection: | Yes, 8.5V |
| Over-Voltage protection: | Yes, 33V |
| Waterproof, Dust-proof, Vibration-proof: | Yes |












