Morpheus™ VDC – Logo Light

Specification
| Light characteristics: | Logo Light |
|---|---|
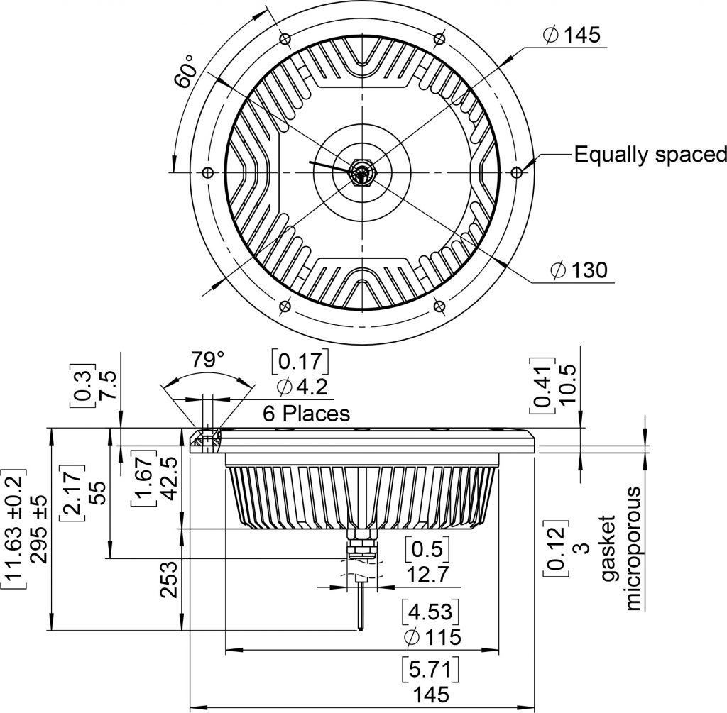
| Dimensions: | See dimensional drawing |
| Weight: | 524 g / 1.15 lb |
| Input voltage: | from +18 to +36 VDC |
| Input current: | 1.2 A @ 28 VDC |
| Input power: | 33.5 W (typ) |
| Ambient temperature: | -55°C..+85°C / -67°F..+185°F |
| Overheat protection: | +85°C / +185°F (temperature dependent decrement of intensity) |




