Pegatron – Rear Position Light

Compact Tail Fin position light only. Features terminal connectors on base. Pegatron is direct drop-in replacement for the Honeywell Astreon Tail Position Light.

12 High brightness LEDs for POSITION (140°) coverage

Packed with 12 ultra high brightness CREE LEDs for POSITION mode in white color that are the industry state-of-the-art in performance and output lumens, the Pegatrons feature a significantly lower footprint than competitor lights.

Easy connect with terminal

 Gulfstream Drop-In Replacement STC for Models G100, G200, GII, GIII, GIV, G450, GV and G550

Pegatronâ„¢ is a solid-state, hermetically sealed position light that is simple drop-in replacements for those old legacy lights – A2064, B9730, 30-2368, 30-2382.

Aveo Engineering Pegatron vs. Honeywell Astreon comparison

Only three multiple-generations old low-power LEDs vs. Pegatron high power output means being seen from 5 times the distance.

Approval

Waterproof / Shockproof / Dust-proof

All Aveo lights are waterproof, dust proof, and inert to most environmental conditions as they are all tested to categories of DO-160 exceeding the applicable requirements by far in external laboratories experienced in compliance demonstration of EASA ETSO appliances.

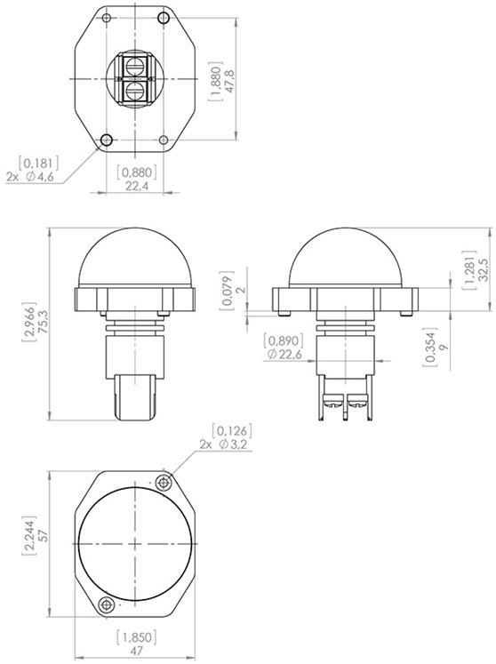
Dimensions: see drawing on the left
Output power: 5.2W
Weight (g): 106 g
Weight (lbs): 0.234 lbs
Operating Voltage Range: 18-36V DC
Primary input voltage: 28V DC
Over-voltage protection: 80V (1s)
Input current at 28V: 0.22A  (+/- 5%)
Reverse polarity protection: Yes
Over-Voltage shut down:    38.5V DC
Operating temperature: -55°C to +85°C
-67°F to +185°F
Over-Temperature protection: Yes
Waterproof: Yes
Vibration-proof: Yes
Shock-proof: Yes
Dust-proof: Yes

Installation Manual

Approvals

Gulfstream Replacement

The user of this website is forewarned that the information presented herein is general and informational only. Aveo is not responsible for misinterpretations, typos, syntax errors, or translation mistakes as the legal and governing language of Aveo Czech is the Czech language.  Should there be any questions they should be directed to Aveo (Contact page) for clarification or explanation. No liability is assumed or accepted for any activities based upon the user's use of anything presented herein.

©2025 Aveo Engineering Group, s.r.o. • All Rights Reserved. •Terms of Use • Privacy Policy

Aveo holds more than 50 patents with more than 70 others now in pending status. Aveo is tired of our competitors making direct copies of our product designs. Aveo has now on retainer a Patent Enforcement law firm that will prosecute to the maximum any violators. We have always competed fairly, and all our work is our own. Unfortunately some competitors have decided to copy our stuff in China to their best ability, which is sadly for them inferior results. But it is an insult to the engineering profession for anyone to copy other peoples’ work. I guess they grew up cheating in their lives, but we will no longer tolerate it. Be forewarned!!!

Any links to or use of material on our website without prior written permission will be aggressively prosecuted to the letter of the law worldwide

Log in with your credentials

Forgot your details?